Kim đo A-5000-7805 Renishaw
Kim đo A-5000-7805 Renishaw:

Kim đo hay đầu dò là chi tiết rất quan trọng của máy đo cmm, Ngoài độ chính xác của máy đo, Nó là nhân tố quan trọng quyết định độ chính xác, độ tin cây của phép đo. Lựa chọn kim đo đúng, phù hợp giúp phép đo chính xác hơn và hiệu quả hơn.
Cần thay và đổi mới kim đo khi:
Việc kiểm tra và thay thế Kim đo máy CMM trên máy đo tọa độ của bạn cũng là điều cần thiết. Mặc dù những sản phẩm này rất chắc chắn nhưng chúng cũng có thời hạn sử dụng. Chúng cần được thay thế sau thời gian dài sử dụng, hoặc sau khi bị rơi, rơi hoặc xử lý sai.

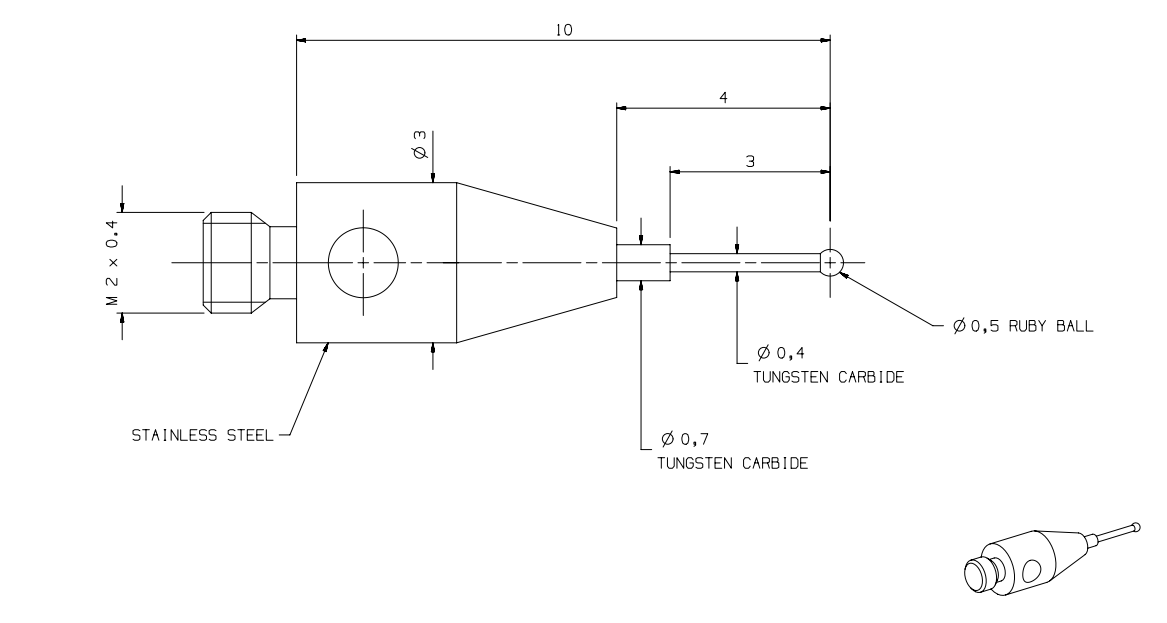
Kim đo A-5000-7805
Công ty Tousei Engineering Viet Nam cấp cấp tất cả các loại kim đo hãng Renishaw cho máy đo của bạn. Với hàng stock có sẵn, chúng tôi đảm bảo đáp ứng được 90% nhu cầu của quý khách ngay lập tức, nhằm đảm bảo tiến độ công việc của khách hàng.
Hãy liên hệ (Call or Zalo): 0914 393 088 để được tư vấn hỗ trợ nhanh nhất, giá tốt nhất.
NGOÀI RA MỘT SỐ LĨNH VỰC HOẠT ĐỘNG CỦA TSE CHÚNG TÔI NHƯ: BÁN MỚI, SỬA CHỮA BẢO DƯỠNG,HIỆU CHUẨN,ĐO THUÊ VÀ ĐÀO TẠO.
Hãy truy cập trang Web: https://tskvn.com.vn/ để tìm hiểu thêm thông tin
- Hiệu chuẩn:
– Thiết bị đo lường liên quan tới các lĩnh vực như độ dài, khối lượng, lý hóa-mẫu chuẩn, áp suất, lực, độ cứng, điện - Dịch vụ sử chữa, bảo dưỡng thiết bị đo:

– Máy đo 2D, 3D– Panme– Thước cặp– Máy đo biên dạng, độ nhám– Máy phun muối– Máy đo độ bụi– Một số các máy móc công nghiệp khác… - Nhập khẩu và phân phối máy móc, linh kiện điện tử cơ khí…

– Máy đo 2D, 3D,… các hãng đầy đủ model
– Máy layout
– Máy đo độ nhám
– Máy kéo nén
… - Đào tạo:
– Kỹ năng vận hành,– Kỹ năng đo lường hiệu chuẩn

- Đo thuê sản phẩm:
Chat trực tiếp với CSKH.
Hotline: 088 8814889/ 0943 735 866
zalo: 088 8814889
Liên hệ qua fanpage facebook.
Công ty TNHH TOUSEI ENGINEERING VIET NAM
ĐC: Đội 2, thôn Xuân Bách, xã Quang Tiến, Sóc Sơn, Hà Nội
VP Phía Nam: Tầng 3 tòa nhà Hà Nam Plaza, số 26/5 QL13, khu phố Tây, phường Vĩnh Phú, thị xã Thuận An, tỉnh Bình Dương.
ĐT: 0888 814 889/ 0888 283 486/ 0914 393 088
Email: / sale8@toseivn.com / tse@toseivn.com /sale1@toseivn.com/ tsevn@toseivn.com
Website: https://www.tousei.com.vn/ – https://www.toseivn.com/– https://tskvn.com.vn/








